Aeromotive Eliminator Bränslepump – Levererar bränsle upp till 1900 hk
Aeromotive Eliminator är den naturliga uppgraderingen från den legendariska A1000-pumpen – med 25 % högre flöde. Den är konstruerad för mycket trimmade bilar på bana och strip där bränsleförsörjningen måste hålla jämna steg med stora turbos, kompressorkonfigurationer eller kraftigt trimmade sugmotorer.
Den patenterade dual chamber-pumplösningen ger jämnt och stabilt flöde även under hård belastning, samtidigt som pumpen är byggd för kontinuerlig drift.
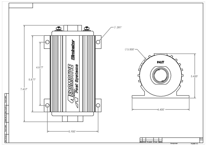
Aeromotive Eliminator kan användas med både insprut- och förgasarsystem, samt med bensin och E85. Den är dessutom helt nedsänkbar för in-tank-installationer och utrustad med ORB-12 inlopp och ORB-10 utlopp för maximal flödeskapacitet.
Aeromotive rekommenderar följande regulatorer: Insprut: AER13110 eller AER13134 Förgasare: AER13212 eller AER13202
Pumpen är inte kompatibel med diesel.
PrestandaspecifikationerBensin – EFI:
Upp till 1900 hk (sugmotor)
Upp till 1400 hk (turbo/kompressor)
Bensin – Förgasare:
Upp till 2300 hk (sugmotor)
Upp till 1700 hk (turbo/kompressor)
E85 – EFI:
Upp till 1330 hk (sugmotor)
Upp till 980 hk (turbo/kompressor)
E85 – Förgasare:
Upp till 1610 hk (sugmotor)
Upp till 1190 hk (turbo/kompressor)
