Detta värmepaket lämpar sig bäst till större fordon så som lastbil, husvagn, båt eller traktor.
Värmepaketet är utrustat med en variabel fläkt. Den går att ställa i 3st steg och går att få som 12v eller 24v.
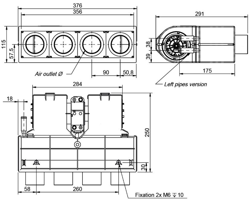
Teknisk specifikation:
- Vikt - 3.1kg
- Värmeeffekt - 6,6kw @100cc
- Ampere -11.25a @ 12v, 5.63a @ 24v (Fans at Max Speed)
- Strömförbrukning 150w
- Fläkten levererar 350m3/h luft
- Fläkt med 3 lägen
- Tillverkad i ABS Plast
Utlopp - 4st
Utloppsdiameter - 60mm
Diameter Vattenanslutningar - 16mm
Välj mellan 12v eller 24v!
| Färg på kabel | | Förbrukare |
| 1x Röd | Högfart |
| 1x Orange | Medelfart |
| 1x Gul | Lågfart |
| 1x Svart | Jord |
